- 地址:
- 吉林省四平市铁西区北新华大街3166号
- 邮箱:
- spzyphe@163.com
- 电话:
- 0434-3391555
- 手机:
- 17704341806


1、传热系数高:传热板片波纹结构设计科学合理,有利于强化传热,可使介质在较低流速下形成激烈的湍流,结垢可能性降低,一般传热系数可达3500W/m2•℃——7000W//m2•℃。
2、阻力损失小:传热板片角孔处导流区波纹科学,采用流线型,避免流动死区,流道当量直径大。
3、耐压能力高:传热板片垫片四周采用加强结构,波纹尺寸合理,模具加工精度高,使得各接触点分布均匀,耐压能力可达2.5MPa。
4、使用寿命长:垫片选用国内外知名厂家生产的最新配方垫片,传热板片采用免粘挂垫结构,避免了粘结剂对传板片的腐蚀,传热板片压制成型时,拉伸均匀,波纹尺寸精确,使得传热板片各部分耐腐蚀能力及强度均匀。从而延长了板式换热器的使用寿命。
5、运行安全可靠:本公司生产的板式换热器密封垫片采用双道密封结构,在板片夹紧状态下变形小,回弹性好,重新组装垫片密封可靠,密封垫片老化速度慢,换热器无内泄现象,如有外泄现象可及时发行处理。


1、板式换热器选型设计原则
为某一工艺过程选型设计板式换热器时,要考虑设计压力,设计温度,介质特性和经济性等因素。
(1)单板面积大小的选择
单板面积过小,则板片数目多,占地面积大,阻力较小;反之,单板面积大,则板片数目少,占地面积小,阻力降增大,难以保证适当的板间流速。因此,一般单板面积可按角孔流速为3m/s左右考虑。
(2)板间流速的选择
流体在板间的流速,影响换热性能和压力降。流速高,传热系数高,阻力降也增大:反之,则相反。一般取板间流速为0.2—0.8m/s,且尽量使两种流体板间流速接近一致。流速小于0.2m/s时,流体达不到湍流状态,且会形成较大的死角区;流速过高会导致阻力降增加,气体的板间流速一般控制在10m/s左右。
(3)流程的确定
两侧流体的流量大致相当时,应尽量按等程布置(介质逆流),当两侧流体的流量相差较大时,则流量小的一侧按多流程布置或采用不等截面的板式换热器。另外,当某一介质的温升或温降幅度较大时,也可采用多流程。有相变发生的一侧一般为单流程,且接口方位为上进下出,在多流程的换热器中,一般对同一流体,在各个流程中应采用相同的流道数。换热器压降修正系数,单流程时取1.2~1.4,2—3流程取1.8~2.0,4~5流程时取2.6~2.8。。
(4)流向的选择
一般在板式换热器的设计中,要尽可能把两流体布置为逆流。在两侧流体为不等流程时,顺流与逆流交替出现平均温差要进行修正。
2、板式换热器的选型计算方法:
(1)换热器选型计算公式:Q=K•F△tm。
式中:
Q—换热量(W)
F—传热面积(m2)
△tm—对数平均温差(℃)
板式换热器在实际运行中,由于污垢,水流不均匀性等情况影响,需在上式中引入修正系数β(一般取0.7~0.9),因此实际使用时,上式为:Q=βK•F•△tm。
(2)估算法:
我公司生产的板式换热器,每平方米的传热面积,在水——水交换,对数平均温差接近20°C的条件下,大概可以交换热量为50000W~70000W,在已知总的热负荷情况下,大致可以估算出所需要的换热面积。
在水蒸气与水交换的情况下,每一吨蒸汽大约需要10平方米的板式换热器。
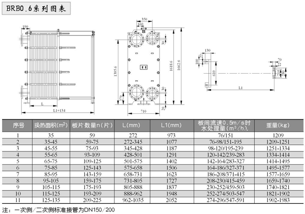
常用的板式换热器,BRB型不等截面板式换热器的平均流道截面积,平均当量直径,努谢尔(Nu)准则方程和欧拉(Eu)准则方程分别列于表三,各种类型板式换热器的传热系数与流速的关系曲线列于表三之后。


























板式换热器的流程组合形式很多,都是采用不同的换向板片和不同的组装方法来实现的,流程组合型式可分为单流程、多流程和混合流程,如图3所示,要根据工艺条件来选择换热器的流程组合。

为一种多流程的组合型式,表示热介质为2个流程,每个流程内并联8个流体通道;冷介质为2个流程,每个流程内并联8个流体通道。
注:上式为流程组合型式的表示方式,不能作为数学分式理解。





